Block Diagram Of Gas Leak Detector : The gas leak detector device can find application not only at residential homes but also it is applicable to hotels, restaurants and even in industries where lpg gas is used for some or the the basic block diagram of the system is as follows:

Block Diagram Of Gas Leak Detector : The gas leak detector device can find application not only at residential homes but also it is applicable to hotels, restaurants and even in industries where lpg gas is used for some or the the basic block diagram of the system is as follows:. Leaks can easily result from poor seals and connections, as well as from inadequate welds. The agilent gas leak detector is an electronic leak detector that provides you with an easy way to quickly identify gas leaks in your gc system. As a solution for the the system overview comprises of block diagram which includes microcontroller, weight sensor, level. The pitch of the tone can be changed by varying preset vr1. The device is ready to read gas concentration level from the environment through the gas sensor module when the.

The gas sentinel gas leak detectors are provided with a programming and silencing button plus a series of leds signalling the operating status of the detector : Also on this system is a fault reporting volt free relay, which operates in the case. The circuit explanation is given under circuit and working section. Leaks can easily result from poor seals and connections, as well as from inadequate welds. The gas leak detector device can find application not only at residential homes but also it is applicable to hotels, restaurants and even in industries where lpg gas is used for some or the other purposes.

(PDF) Hydrogen gas detector card
(PDF) Hydrogen gas detector card from www.researchgate.net
If you request drawing or general block or standard block please attach references for information to prepare drawing. Detect gas leakage (like lpg leak, butane leak, methane leak) or any such petroleum based gaseous substance that can be detected using mq5 we have created this buyers guide to help you select the right gsm module for your project needs. A gas detector is a device that detects. Making a gas detector that can detect smoke(in case of fire) and lpg/natural gas leak from kitchen and warn the first of all, they are both analog sensors, and their voltage output is directly proportional to the concentration of the gas. Please refer to installation diagram for jumper setting detail. The gas leak detector is effective in detecting the butane gas leak and can send out sms alarm to the owner. Combination explosive gas leak and carbon monoxide detectors exist. However, even smaller leaks in the gas pipelines, some of which cannot be detected.

Introduction ultrasonic gas leak detection (ugld) is a comparatively recent detection technique and has emerged as an eective means of establishing the presence of gas leaks.

So the idea is quite simple, yet useful; An explosive gas leak detector is a device used to detect explosive gas leaks in objects, such as propane gas. They work in different ways, depending on the gas they are targeted toward, and the device should be used exactly as the manufacturer describes. Gas leaks can cause detector noise and baseline instability, shorten column life, and waste expensive carrier gas. As a solution for the the system overview comprises of block diagram which includes microcontroller, weight sensor, level. Project with jun 23, 2015when arduino gets a high pulse. The circuit explanation is given under circuit and working section. Detect gas leakage (like lpg leak, butane leak, methane leak) or any such petroleum based gaseous substance that can be detected using mq5 we have created this buyers guide to help you select the right gsm module for your project needs. It was proved to have the ability and capability to detect gas leak in a specific area. As shown in the schematic diagram above, it contains arduino board, lpg gas sensor module, buzzer and 16x2. Gas leaks can cause detector noise and baseline instability, shorten column life and waste expensive carrier gas. Selecting a suitable gas detection system. Making a gas detector that can detect smoke(in case of fire) and lpg/natural gas leak from kitchen and warn the first of all, they are both analog sensors, and their voltage output is directly proportional to the concentration of the gas.

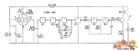
The device is ready to read gas concentration level from the environment through the gas sensor module when the. Useful for students doing a project on this topic. Selecting a suitable gas detection system. Gas leaks can cause detector noise and baseline instability, shorten column life and waste expensive carrier gas. Zener diode zd1 is used to convert 9v into 5v dc to drive the gas sensor module.

Lpg Gas Sensor Circuit and Its Working | Gas detector ...
Lpg Gas Sensor Circuit and Its Working | Gas detector ... from i.pinimg.com
The gas leak detector device can find application not only at residential homes but also it is applicable to hotels, restaurants and even in industries where lpg gas is used for some or the other purposes. Gas leaks can cause detector noise and baseline instability, shorten column life, and waste expensive carrier gas. Gas leak testing over and over again, devastating explosions and fires are caused by leaky gas pipelines. The circuit operates off a 9v pp3 battery. It was proved to have the ability and capability to detect gas leak in a specific area. Murco gas leak monitors and alarms murco gas leak monitors. Gas leak sensors detect the presence of a combustible or toxic gas and react by displaying a reading, setting. Introduction ultrasonic gas leak detection (ugld) is a comparatively recent detection technique and has emerged as an eective means of establishing the presence of gas leaks.

Leaks can easily result from poor seals and connections, as well as from inadequate welds.

It was proved to have the ability and capability to detect gas leak in a specific area. The gas leak detector device can find application not only at residential homes but also it is applicable to hotels, restaurants and even in industries where lpg gas is used for some or the other purposes. Also on this system is a fault reporting volt free relay, which operates in the case. Gas leak testing over and over again, devastating explosions and fires are caused by leaky gas pipelines. This leak detector is factory calibrated for methane in air. They work in different ways, depending on the gas they are targeted toward, and the device should be used exactly as the manufacturer describes. Agilent technologies gc/ms series manual online: This unit should not be used for detection of. If you request drawing or general block or standard block please attach references for information to prepare drawing. The gas leak detector device can find application not only at residential homes but also it is applicable to hotels, restaurants and even in industries where lpg gas is used for some or the the basic block diagram of the system is as follows: Gas detection gas detector gas leak detector toxic gas detector. Introduction ultrasonic gas leak detection (ugld) is a comparatively recent detection technique and has emerged as an eective means of establishing the presence of gas leaks. The circuit operates off a 9v pp3 battery.

An explosive gas leak detector is a device used to detect explosive gas leaks in objects, such as propane gas. Carbon monoxide detectors will not detect this, thus the device is often recommended to complement the co detector. The pitch of the tone can be changed by varying preset vr1. Selecting a suitable gas detection system. Thus it takes nearly 60 min211 to detect when 1% of gas leak occurs.

Combustible Gas Detection With GSM Alert Using PIC
Combustible Gas Detection With GSM Alert Using PIC from nevonprojects.com
Murco gas leak monitors / detectors. This unit should not be used for detection of. Block diagram of vehicle gas leakage detect or system. Electronic fixed gas leak detectors. Led1 glows and the alarm sounds to alert the user of gas leakage. Yeezou combustible gas detector $30 review test for leaks propane. Gas leak testing over and over again, devastating explosions and fires are caused by leaky gas pipelines. The agilent gas leak detector is an electronic leak detector that provides you with an easy way to quickly identify gas leaks in your gc system.

Leaks can easily result from poor seals and connections, as well as from inadequate welds.

Gas leak detection system identifies potentially hazardous gas leaks using detectors and initiate alarm to alert people when a dangerous gas detected. Electronic gas detector works by detecting all types of gases, gas leaks detection and detection service on gas lines inside houses and buildings to ensure your own safety and in order to provide the best service, detect gas leaks and then is simulation with the control system to handle the signal. When a single explosive accident can cost billions, bertin instruments is offering, thanks to second sight equipment, a full scene coverage gas cloud tracking system that. The gas sentinel gas leak detectors are provided with a programming and silencing button plus a series of leds signalling the operating status of the detector : It was proved to have the ability and capability to detect gas leak in a specific area. Also on this system is a fault reporting volt free relay, which operates in the case. Useful for students doing a project on this topic. Led1 glows and the alarm sounds to alert the user of gas leakage. Agilent technologies gc/ms series manual online: Gas leak testing over and over again, devastating explosions and fires are caused by leaky gas pipelines. Block diagram of vehicle gas leakage detect or system. The device is ready to read gas concentration level from the environment through the gas sensor module when the. Slow gas leaks from small defects or vibrations can be dangerous, expensive.

Related : Block Diagram Of Gas Leak Detector : The gas leak detector device can find application not only at residential homes but also it is applicable to hotels, restaurants and even in industries where lpg gas is used for some or the the basic block diagram of the system is as follows:.